
熱電阻溫度計
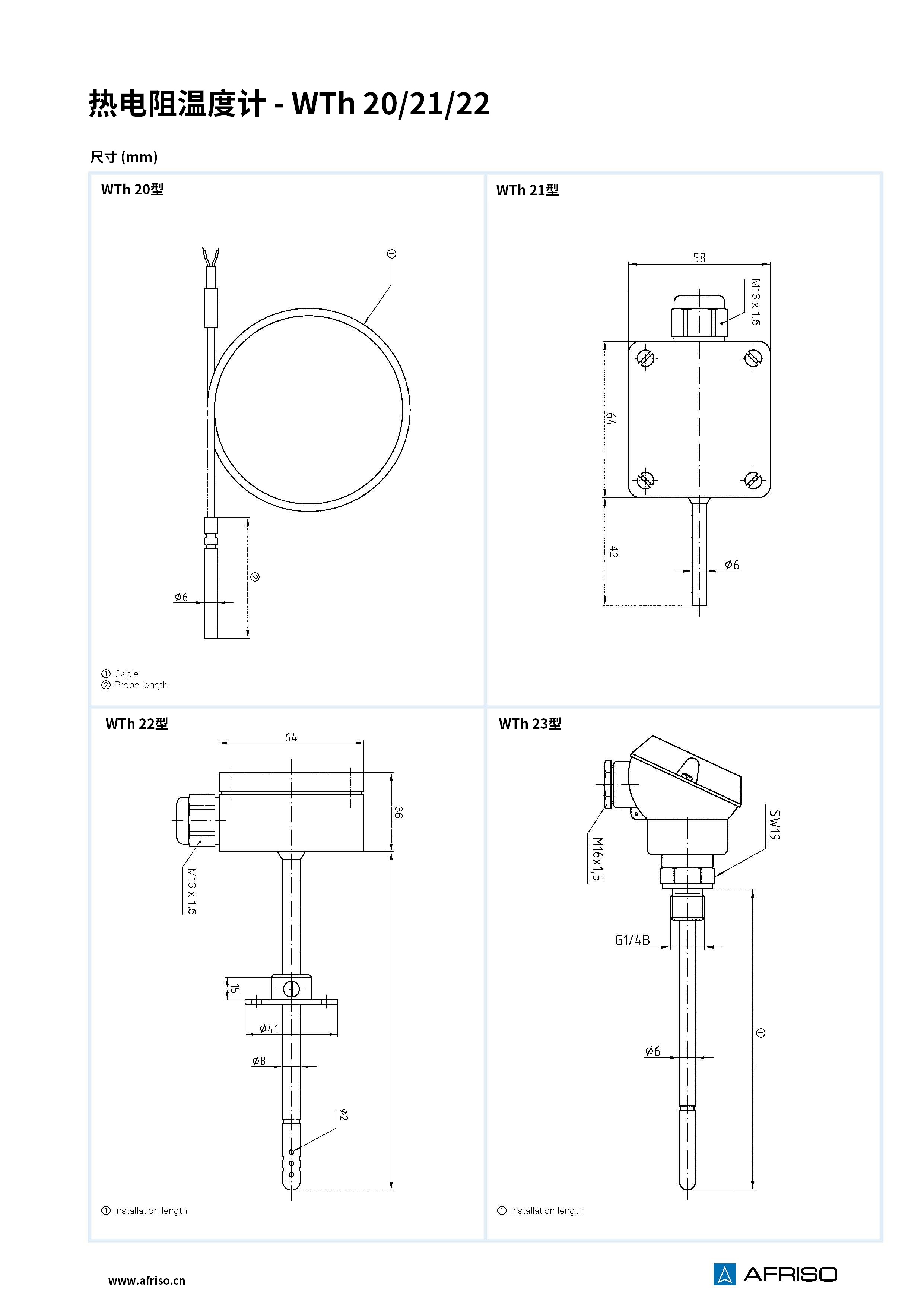
WTh 20
適用于接插連接的熱電阻溫度計。
傳感器 |
1個Pt100 2-,3-,或4-線 B級,IEC 751標準 |
探桿 |
?6mm,長50mm 不銹鋼316Ti |
電氣連接 |
電纜帶電線套管 |
電纜 |
帶安裝類型 固定式:-40/+105 °C 活動式:-5/+105°C |
量程 |
帶安裝類型 固定式:-40/+105 °C 活動式:-5/+105°C |
可選項 |
·涂層測量電纜 |